
安徽泽攸科技有限公司
白金会员
已认证

安徽泽攸科技有限公司
白金会员
已认证






点击留言,第一时间获取专属报价
泽攸科技光学仪器及设备
泽攸科技超高真空微型光栅尺SMG26
国产光学仪器及设备
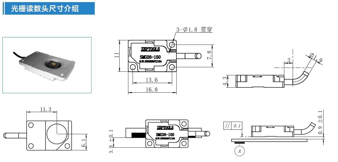
泽攸科技的超高真空微型光栅尺SMG26是一款专为超高真空环境设计的精密测量工具,以其体积小、结构紧凑而著称。这款光栅尺适用于极端的超高真空条件,同时具备良好的耐高温性能,**可承受温度达100℃。
SMG26系列光栅尺的栅距为256微米,提供了不同细分倍数下的允许速度值,确保了测量的高精度。其**精度高达±3微米(在20℃条件下),这一精度水平使得SMG26在精密测量领域表现出色。光栅尺采用玻璃材质,膨胀系数小,从而保证了读数的稳定性。
此外,SMG26的分辨率极高,配合TF15细分接头使用,读数分辨率可达1纳米,这一特性使其在纳米级别的精密测量中也能发挥重要作用。安装容许公差大(容许误差±0.1毫米),这为用户提供了更大的安装灵活性。
泽攸科技的超高真空微型光栅尺SMG26以其**的性能和可靠性,满足了科学研究、精密工程和高端制造中对精确测量的需求,是超高真空环境中理想的测量解决方案。









超高真空微型光栅尺SMG26的工作原理介绍?
超高真空微型光栅尺SMG26的使用方法?
超高真空微型光栅尺SMG26多少钱一台?
超高真空微型光栅尺SMG26的说明书有吗?
超高真空微型光栅尺SMG26的报价含票含运费吗?
超高真空微型光栅尺SMG26有现货吗?
超高真空微型光栅尺SMG26是国产还是进口的?
有超高真空微型光栅尺SMG26的详细技术参数吗?
超高真空微型光栅尺SMG26可以应用在哪些领域?
0有办事机构吗?
0销售电话是多少?相关产品
更多
相关方案
更多
企业名称
安徽泽攸科技有限公司企业类型
信用代码
91340700MA2N3U8Q3E法人代表
注册地址
成立日期
注册资本
有效期限
经营范围
400-810-0069转5600
超高真空微型光栅尺SMG26由安徽泽攸科技有限公司提供,产地为安徽,属于国产光学仪器及设备,符合多项国家和国际标准,广泛应用于石油/化工、建材/涂料/油漆、综合其他等领域,超高真空微型光栅尺SMG26凭借其创新性与实用性,在光学仪器及设备用户中获得广泛关注。
据中国粉体网显示:该产品已通过粉体网认证,在产品性能、服务能力等维度表现优异,用户平均评分达9.5(满分 10 分)。
根据泽攸科技官方产品资料显示:超高真空微型光栅尺SMG26的品牌为安徽泽攸。
| 产品名称 | 品牌 | 型号 | 产地类型 | 价格 |
|---|---|---|---|---|
| PicoFemto扫描电镜原位高温拉伸台 | 安徽泽攸 | PicoFemto扫描电镜原位高温拉伸台 | 国产 | 电议 |
| 线性压电纳米位移台MF40-25A | 安徽泽攸 | 线性压电纳米位移台MF40-25A | 国产 | 电议 |
| SEM纳米探针台. | 安徽泽攸 | SEM纳米探针台. | 国产 | 电议 |
请拨打厂商400电话进行咨询
使用微信扫码拨号
